Skip to primary content

Ponderings

Musings of a Tech Minimilist

Ponderings

Main menu

  • Home

Image navigation

Next →

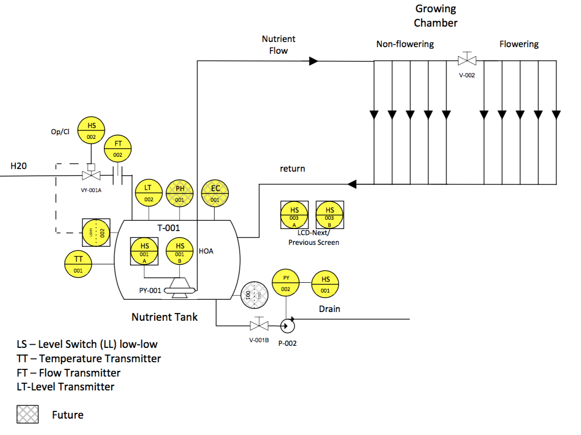
P&ID

Published January 8, 2018 at 1134 × 849 in Home Hydroponics
Proudly powered by WordPress